Како репер модел на серијата микро прекинувачи на фабриката Yueqing Tongda Wire Electric, микробрановиот прекинувач за печка и машина за перење се карактеризира со „висока чувствителност, ултра долг животен век и приспособливост за повеќе сценарија“ како негови основни предности. Интегрирајќи ја 35-годишната експертиза за производство на прекинувачи на компанијата, таа стана клучна контролна компонента во апаратите за домаќинство, автомобилската електроника, индустриската автоматизација и други области, благодарение на минималниот јаз во контакт и механизмот за брзо дејствување. Нејзините перформанси и доверливост се сертифицирани од повеќе авторитетни организации ширум светот, обезбедувајќи ја нејзината мејнстрим позиција на нишаниот пазар.
Вовед во микро прекинувач
Производот има добиено големи глобални безбедносни сертификати, вклучувајќи UL, C-UL, ENEC, VDE, CE, CB, TUV, CQC и KC, е во согласност со стандардот IEC 61058 и ги исполнува барањата за пристап до пазарот во региони како што се Европа, Америка и Азија-Пацификот. Компанијата има постигнато сертификати за системот за управување со квалитет ISO9001 и IATF 16949 и строго ги имплементира еколошките директиви RoHS и REACH, обезбедувајќи рафинирана контрола во текот на целиот производствен процес. Со 6 национални патенти за изум и 48 патенти за корисни модели, серијата HK-14 постигнува водечки нивоа на доверливост и конзистентност во индустријата.
Упатства за инсталација и употреба
Кога се монтира, прекинувачот мора да се монтира на рамна површина и да се прицврсти со рамна мијалник или пружина за да се спречи дефект или оштетување на куќиштето предизвикано од нерамни површини. Изберете модели засновани на околината: за влажни или правливи услови, се препорачува да се користи запечатена сопствена верзија за да се подобри заштитата. Не нанесувајте масло за подмачкување на копчето или погонот за да спречите лепење на контактот, функционални дефекти или дури и изгорување. За време на складирањето, чувајте го производот на суво, проветрено место, заштитено од дожд или снег и избегнувајте висока температура и влажност што може да предизвика стареење на компонентите, обезбедувајќи производот да ги задржи своите оригинални перформанси.
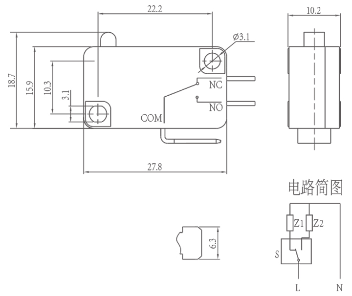
Параметар на микро прекинувач (спецификација)
| Технички карактеристики на прекинувачот: | |||
| СТАВКА | Технички параметар | Вредност | |
| 1 | Електрични рејтинг | 5(2)A/10A/16(3)A/21(8)A 250VAC | |
| 2 | Контакт отпор | ≤30mΩ Почетна вредност | |
| 3 | Отпорност на изолација | ≥100MΩ (500VDC) | |
| 4 |
Диелектрик Напон |
Помеѓу неприклучени терминали |
1000V/0,5mA/60S |
|
Помеѓу терминалите и металната рамка |
3000V/0,5mA/60S | ||
| 5 | Електричен живот | ≥50000 циклуси | |
| 6 | Механички живот | ≥1000000 циклуси | |
| 7 | Работна температура | -25 ~ 125 ℃ | |
| 8 | Работна фреквенција |
електрични : 15 циклуси Механички: 60 циклуси |
|
| 9 | Доказ за вибрации |
Фреквенција на вибрации: 10~55HZ; Амплитуда: 1,5 мм; Три насоки: 1 ч |
|
| 10 |
Способност за лемење: Повеќе од 80% од потопениот дел ќе биде покриен со лемење |
Температура на лемење: 235±5℃ Време на потопување: 2 ~ 3 С |
|
| 11 | Отпорност на топлина на лемење |
Лемење натопено: 260±5℃ 5±1S Рачно лемење: 300±5℃ 2~3S |
|
| 12 | Одобренија за безбедност | UL, CSA, VDE, ENEC, TUV, CE, KC, CQC | |
| 13 | Услови за тестирање |
Температура на околината: 20±5℃ Релативна влажност: 65±5% RH Воздушен притисок: 86 ~ 106 KPa |
|
Функција и апликација за микро прекинувач
Детали за микро прекинувач
