Независен прекинувач за патување со двојно пол е автоматска контролна компонента активирана од механичко движење. Неговата основна функција е да открие поместување или мозочен удар на некој предмет за да се постигне отворање и затворање на кола, почеток и стоп на опрема или ограничување на заштитата. Тоа е неопходна „безбедносна сентинел“ и „командант на акција“ во индустриска автоматизација и електромеханичка опрема.
Прекинувач Уставниунија
Патувачкиот прекинувач (познат и како граничен прекинувач) е автоматска контролна компонента активирана од механичко движење. Неговата основна функција е да открие поместување или мозочен удар на некој предмет за да се постигне отворање и затворање на кола, почеток и стоп на опрема или ограничување на заштитата. Тоа е неопходна „безбедносна сентинел“ и „командант на акција“ во индустриска автоматизација и електромеханичка опрема.
Прекинувач Апликацијација
Апликација во домашни уреди и паметен дом:
Машина за перење:Инсталиран е ограничен прекинувач на вратата на машината за перење предно на вчитување. Апаратот ќе започне само кога вратата е целосно затворена и прекинувачот го активира колото, што спречува истекување на вода или облека да биде исфрлено за време на работата.
Фрижидер/печка:Кога вратата на фрижидерот е затворена, прекинувачот предизвикува да ја исклучи светлото за внатрешни работи. Спротивно на тоа, ако вратата од рерна не е безбедно затворена, прекинувачот ќе ја намали моќноста на елементите за греење за да спречи истекување на топлина.
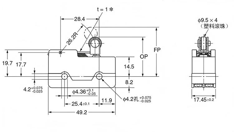
Прекинувач Детали
