Како репер модел на серијата микро-прекинувачи на фабриката Yueqing Tongda Wire Electric, HK-14 Microbraven Reven Normally Open Limit Detection Switch се одликува со „висока чувствителност, ултра долг животен век и приспособливост на повеќе сценарија“ како негови основни предности. Интегрирајќи ја 35-годишната експертиза за производство на прекинувачи на компанијата, таа стана клучна контролна компонента во апаратите за домаќинство, автомобилската електроника, индустриската автоматизација и други области, благодарение на минималниот јаз во контакт и механизмот за брзо дејствување. Нејзините перформанси и доверливост се сертифицирани од повеќе авторитетни организации ширум светот, обезбедувајќи ја нејзината мејнстрим позиција на нишаниот пазар.
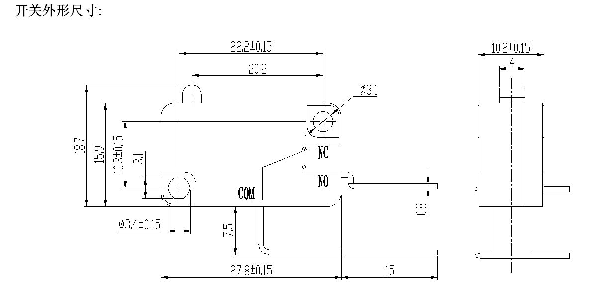
Вовед во микро прекинувач
Yueqing Tongda има воспоставено сеопфатен систем за управување со квалитетот кој го покрива целиот процес од „суровини - производство - готови производи“. Серијата HK-14 поминува низ 16 основни тестови од складирање на суровини до испорака на готови производи, вклучувајќи тестирање на отпорност на контакт, тестирање на перформансите на изолацијата, тестирање на отпорност на напон, тестирање на циклуси на висока и ниска температура, тестирање на притискање на издржливост, тестирање со прскање со сол, тестирање на вибрации и многу повеќе. За секоја серија производи, 3% се по случаен избор за тестирање на деструктивна граница за да се обезбеди стапка на фабричка пропустливост од 100%. Компанијата е опремена со 20 целосно автоматизирани прецизни производни линии, како и меѓународно напредна опрема за тестирање (како што е машината за мерење на координати Zeiss од Германија и тестер за електрични перформанси Fluke од САД) за да се обезбеди точност на производот и стабилност на перформансите.
Типични популарни модели и сценарија за примена:
HK-14-1X-16A-P-200: Нормално отворен, 16A 250VAC, метална шипка за активирање на валјак - погодна за контрола на ограничувањата на патувањето на производствените линии за индустриска автоматизација, дизајнот на ролери го намалува механичкото абење
HK-14-1-16AP-715: Нормално затворена, 16A 250VAC, кратка шипка со ролери со шарки — погодна за прецизно активирање во опрема за медицинско тестирање, нормално затворениот дизајн обезбедува безбедност на опремата кога е исклучен
HK-14-16AP-605: Тип на промена, 16A 250VAC, широк температурен дизајн — погоден за прекинувачи за следење на температурата во нови енергетски батериски пакети на возила, -40°C~125°C широк температурен опсег одговара на екстремни околини на одборот
HK-14-1X-5A-320: Нормално отворена, 5A 250VAC, шипка за активирање од типот на копче — погодна за прекинувачи на вратата од микробранова печка, одзивно притискање, безбедносна заштита на високо ниво
Апликативни сценарија
Домашни апарати: Контрола на вратата со микробранова печка, програма за контрола на машината за перење, прилагодување на брзината на вентилаторот на климатизерот, обезбедување безбедно функционирање на опремата
Индустриска автоматизација: позиционирање на производната линија, контрола на ограничувањето на роботот, контрола на старт-стоп на транспортер, подобрување на ефикасноста на производството за 35%
Автомобилска електроника: подигање на прозорците на автомобилот, прилагодување на седиштата, сензори за багажникот, погодни за сурови средини во возилото
Медицински уреди: Контрола на хируршка опрема, активирање сигнал на инструментот за откривање, исполнување на медицински стандарди за безбедност
Воена индустрија: Контрола на опремата за оружје, префрлување на комуникациски уреди, прилагодување на екстремни работни услови и барања за висока доверливост
Параметар на микро прекинувач (спецификација)
| Технички карактеристики на прекинувачот: | |||
| СТАВКА | Технички параметар | Вредност | |
| 1 | Електрични рејтинг | 5(2)A/10A/16(3)A/21(8)A 250VAC | |
| 2 | Контакт отпор | ≤30mΩ Почетна вредност | |
| 3 | Отпор на изолација | ≥100MΩ (500VDC) | |
| 4 |
Диелектрик Напон |
Помеѓу неприклучени терминали |
1000V/0,5mA/60S |
|
Помеѓу терминалите и металната рамка |
3000V/0,5mA/60S | ||
| 5 | Електричен живот | ≥50000 циклуси | |
| 6 | Механички живот | ≥1000000 циклуси | |
| 7 | Работна температура | -25 ~ 125 ℃ | |
| 8 | Работна фреквенција |
електрични : 15 циклуси Механички: 60 циклуси |
|
| 9 | Доказ за вибрации |
Фреквенција на вибрации: 10~55HZ; Амплитуда: 1,5 мм; Три насоки: 1 ч |
|
| 10 |
Способност за лемење: Повеќе од 80% од потопениот дел ќе биде покриен со лемење |
Температура на лемење: 235±5℃ Време на потопување: 2 ~ 3 С |
|
| 11 | Отпорност на топлина на лемење |
Лемење натопено: 260±5℃ 5±1S Рачно лемење: 300±5℃ 2~3S |
|
| 12 | Одобренија за безбедност | UL, CSA, VDE, ENEC, TUV, CE, KC, CQC | |
| 13 | Услови за тестирање |
Температура на околината: 20±5℃ Релативна влажност: 65±5% RH Воздушен притисок: 86 ~ 106 KPa |
|
Функција и апликација за микро прекинувач
Детали за микро прекинувач

