Како репер модел на серијата микро прекинувачи на фабриката Yueqing Tongda Wire Electric, HK-14 High-Temperature 16A 250V Current Micro Switch се одликува со „висока чувствителност, ултра долг животен век и приспособливост за повеќе сценарија“ како негови главни предности. Интегрирајќи ја 35-годишната експертиза за производство на прекинувачи на компанијата, таа стана клучна контролна компонента во апаратите за домаќинство, автомобилската електроника, индустриската автоматизација и други области, благодарение на минималниот јаз во контакт и механизмот за брзо дејствување. Нејзините перформанси и доверливост се сертифицирани од повеќе авторитетни организации ширум светот, обезбедувајќи ја нејзината мејнстрим позиција на нишаниот пазар.
Вовед во микро прекинувач
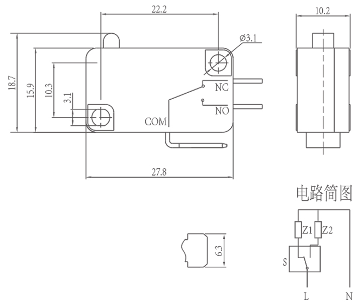
Серијата HK-14 обезбедува многу флексибилни опции за прилагодување за да се задоволат барањата на различните апликации. The operating force is customizable (less than 5.0N in a leverless state, normally 30±15gf), with an operating stroke range of 0.6 to 1.5mm, accommodating various trigger force and displacement scenarios. Стиловите на лостовите се приспособливи, вклучувајќи директни лостови, свиткани лостови и лостови на ролери, за да одговараат на различни механички структури на менувачот. Contact types include SPDT (1NO+1NC), NO, and NC, covering the full range, to meet the requirements of single control, interlock, and other circuit design needs.
Упатства за инсталација и употреба
Кога се монтира, прекинувачот мора да се монтира на рамна површина и да се прицврсти со рамна мијалник или пружина за да се спречи дефект или оштетување на куќиштето предизвикано од нерамни површини. Изберете модели засновани на околината: за влажни или правливи услови, се препорачува да се користи запечатена сопствена верзија за да се подобри заштитата. Не нанесувајте масло за подмачкување на копчето или погонот за да спречите лепење на контактот, функционални дефекти или дури и изгорување. За време на складирањето, чувајте го производот на суво, проветрено место, заштитено од дожд или снег и избегнувајте висока температура и влажност што може да предизвика стареење на компонентите, обезбедувајќи производот да ги задржи своите оригинални перформанси.
Параметар на микро прекинувач (спецификација)
| Технички карактеристики на прекинувачот: | |||
| СТАВКА | Технички параметар | Вредност | |
| 1 | Електрични рејтинг | 5(2)A/10A/16(3)A/21(8)A 250VAC | |
| 2 | Контакт отпор | ≤30mΩ Почетна вредност | |
| 3 | Отпорност на изолација | ≥100MΩ (500VDC) | |
| 4 |
Диелектрик Напон |
Помеѓу неприклучени терминали |
1000V/0,5mA/60S |
|
Помеѓу терминалите и металната рамка |
3000V/0,5mA/60S | ||
| 5 | Електричен живот | ≥50000 циклуси | |
| 6 | Механички живот | ≥1000000 циклуси | |
| 7 | Работна температура | -25 ~ 125 ℃ | |
| 8 | Работна фреквенција |
електрични : 15 циклуси Механички: 60 циклуси |
|
| 9 | Доказ за вибрации |
Фреквенција на вибрации: 10~55HZ; Амплитуда: 1,5 мм; Три насоки: 1 ч |
|
| 10 |
Способност за лемење: Повеќе од 80% од потопениот дел ќе биде покриен со лемење |
Температура на лемење: 235±5℃ Време на потопување: 2 ~ 3 С |
|
| 11 | Отпорност на топлина на лемење |
Лемење натопено: 260±5℃ 5±1S Рачно лемење: 300±5℃ 2~3S |
|
| 12 | Одобренија за безбедност | UL, CSA, VDE, ENEC, TUV, CE, KC, CQC | |
| 13 | Услови за тестирање |
Температура на околината: 20±5℃ Релативна влажност: 65±5% RH Воздушен притисок: 86 ~ 106 KPa |
|
Функција и апликација за микро прекинувач
Детали за микро прекинувач
