Како репер модел на серијата микро прекинувачи на фабриката Yueqing Tongda Wire Electric, HK-14 16A 250VAC T125 Universal Pentium Supor Rice Cooker Micro Switch се одликува со „висока чувствителност, ултра долг животен век и приспособливост на предностите во повеќе сценарија“. Интегрирајќи ја 35-годишната експертиза за производство на прекинувачи на компанијата, таа стана клучна контролна компонента во апаратите за домаќинство, автомобилската електроника, индустриската автоматизација и други области, благодарение на минималниот јаз во контакт и механизмот за брзо дејствување. Нејзините перформанси и доверливост се сертифицирани од повеќе авторитетни организации ширум светот, обезбедувајќи ја нејзината мејнстрим позиција на нишаниот пазар.
Вовед во микро прекинувач
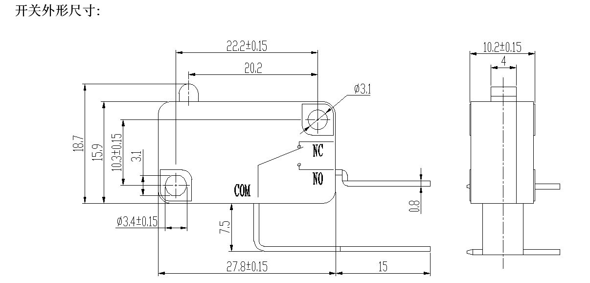
HK-14 демонстрира силна конкурентност во техничките спецификации и е особено погоден за високи фреквентни барања за контрола со висока прецизност. Контактите се направени од високопроводливи легирани материјали, со почетна отпорност на контакт од ≤30mΩ, способни стабилно да носат струи од 5А до 25А и компатибилни со повеќе сценарија на напон, вклучувајќи AC 125V/250V и DC 12V/24V, задоволувајќи различни потреби за напојување од мали индустриски апарати за домаќинство.
Во однос на перформансите на активирањето, производот користи механизам за брзо дејство, со работен удар од само 0,5-1,6 mm и работна сила контролирана помеѓу 0,25-4N. Нуди брз одговор на активирањето и јасни повратни информации, ефикасно избегнувајќи проблеми со „лажно активирање“ и „одложување на активирањето“. Животниот век далеку ги надминува индустриските норми: механичкиот век надминува 1 милион циклуси, а електричниот век достигнува над 50.000 циклуси, овозможувајќи долгорочна стабилна работа во сценарија за користење со висока фреквенција, како што се микробрановите печки и автомобилската електроника.
Прилагодливоста на животната средина е подеднакво импресивна. Производот може да работи во широк температурен опсег од -25℃ до 125℃, да помине тест за вибрации со три оски на 10-55Hz со амплитуда од 1,5mm, да одржува отпор на изолација од ≥100MΩ (500VDC) и да издржи напон од 1000V на индустриска вибрација. средини или услови на висока температура на моторниот простор на автомобилот.
Потпирајќи се на целосниот систем за контрола на квалитетот на Leqing Tongda, HK-14 поминува низ повеќе ригорозни тестови од суровини до готови производи:
Тестирање на суровина: Спектрална анализа на контакт материјал, тестови за еластичност и замор на пружините и тестови за отпорност на стареење на обвивката за да се обезбеди дека основните компоненти ги исполнуваат автомобилските стандарди;
Тестирање на производство: Целосно автоматизирани прецизни линии за склопување опремени со системи за визуелна инспекција, контролирајќи ги клучните димензионални грешки во рамките на ± 0,01 mm за да се обезбеди конзистентна точност на активирањето;
Тестирање на готовиот производ: 100% стапка на поминување за 10 тестови, вклучително и возење на високи и ниски температури (-40℃ до 120℃), 48-часовна корозија со прскање со сол, милиони циклуси на притискање, тестови за вибрации и удари.
Параметар на микро прекинувач (спецификација)
| Технички карактеристики на прекинувачот: | |||
| СТАВКА | Технички параметар | Вредност | |
| 1 | Електрични рејтинг | 5(2)A/10A/16(3)A/21(8)A 250VAC | |
| 2 | Контакт отпор | ≤30mΩ Почетна вредност | |
| 3 | Отпорност на изолација | ≥100MΩ (500VDC) | |
| 4 |
Диелектрик Напон |
Помеѓу неприклучени терминали |
1000V/0,5mA/60S |
| Помеѓу терминалите и металната рамка |
3000V/0,5mA/60S | ||
| 5 | Електричен живот | ≥50000 циклуси | |
| 6 | Механички живот | ≥1000000 циклуси | |
| 7 | Работна температура | -25 ~ 125 ℃ | |
| 8 | Работна фреквенција | електрични : 15 циклуси Механички: 60 циклуси |
|
| 9 | Доказ за вибрации | Фреквенција на вибрации: 10~55HZ; Амплитуда: 1,5 мм; Три насоки: 1 ч |
|
| 10 | Способност за лемење: Повеќе од 80% од потопениот дел ќе биде покриен со лемење |
Температура на лемење: 235±5℃ Време на потопување: 2 ~ 3 С |
|
| 11 | Отпорност на топлина на лемење | Лемење натопено: 260±5℃ 5±1S Рачно лемење: 300±5℃ 2~3S |
|
| 12 | Одобренија за безбедност | UL, CSA, VDE, ENEC, TUV, CE, KC, CQC | |
| 13 | Услови за тестирање | Температура на околината: 20±5℃ Релативна влажност: 65±5% RH Воздушен притисок: 86 ~ 106 KPa |
|
Функција и апликација за микро прекинувач
Детали за микро прекинувач

