Како репер модел на серијата микро-прекинувачи на Yueqing Tongda Wire Electric Factory, микро-прекинувачот со долг животен век со висока струја со UL, VDE и CE сертификати се одликува со „висока чувствителност, ултра долг животен век и приспособливост за повеќе сценарија“ како негови основни предности. Интегрирајќи ја 35-годишната експертиза за производство на прекинувачи на компанијата, таа стана клучна контролна компонента во апаратите за домаќинство, автомобилската електроника, индустриската автоматизација и други области, благодарение на минималниот јаз во контакт и механизмот за брзо дејствување. Нејзините перформанси и доверливост се сертифицирани од повеќе авторитетни организации ширум светот, обезбедувајќи ја нејзината мејнстрим позиција на нишаниот пазар.
Вовед во микро прекинувач
Прецизно активирање од милисекунда: Користи брз механизам со брзо дејство со кратко патување од 0,5-1,6 mm и прилагодлива работна сила од 0,25-4N, обезбедувајќи брз и без одложување одговор за ефикасно спречување на „лажни предизвикувачи“. Погоден за сценарија со висока прецизност како што се контролите на вратите на микробранова печка и индустриски сензори.
Ултра издржлив квалитет: контактите од легура со висока спроводливост во комбинација со зајакната структура нудат механички животен век кој надминува 1 милион циклуси и електричен животен век од над 50.000 циклуси. Идеален за долгорочно стабилно работење во средини за употреба со висока фреквенција како автомобилска електроника и електрични алати.
Широка еколошка приспособливост: Работи под широк температурен опсег од -25℃ до 125℃, издржува вибрации со висока фреквенција од 10-55Hz, има отпор на изолација ≥100MΩ и напон на издржување на терминалот од 1000V AC. Сигурни перформанси во тешки услови како што се индустриските вибрации во работилницата и високите температури во преградите на моторот на автомобилот.
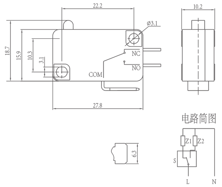
Параметар на микро прекинувач (спецификација)
| Технички карактеристики на прекинувачот: | |||
| СТАВКА | Технички параметар | Вредност | |
| 1 | Електрични рејтинг | 5(2)A/10A/16(3)A/21(8)A 250VAC | |
| 2 | Контакт отпор | ≤30mΩ Почетна вредност | |
| 3 | Отпорност на изолација | ≥100MΩ (500VDC) | |
| 4 |
Диелектрик Напон |
Помеѓу неприклучени терминали |
1000V/0,5mA/60S |
| Помеѓу терминалите и металната рамка |
3000V/0,5mA/60S | ||
| 5 | Електричен живот | ≥50000 циклуси | |
| 6 | Механички живот | ≥1000000 циклуси | |
| 7 | Работна температура | -25 ~ 125 ℃ | |
| 8 | Работна фреквенција | електрични : 15 циклуси Механички: 60 циклуси |
|
| 9 | Доказ за вибрации | Фреквенција на вибрации: 10~55HZ; Амплитуда: 1,5 мм; Три насоки: 1 ч |
|
| 10 | Способност за лемење: Повеќе од 80% од потопениот дел ќе биде покриен со лемење |
Температура на лемење: 235±5℃ Време на потопување: 2 ~ 3 С |
|
| 11 | Отпорност на топлина на лемење | Лемење натопено: 260±5℃ 5±1S Рачно лемење: 300±5℃ 2~3S |
|
| 12 | Одобренија за безбедност | UL, CSA, VDE, ENEC, TUV, CE, KC, CQC | |
| 13 | Услови за тестирање | Температура на околината: 20±5℃ Релативна влажност: 65±5% RH Воздушен притисок: 86 ~ 106 KPa |
|
Функција и апликација за микро прекинувач
Детали за микро прекинувач


