Прекинувач за ограничување на само-ресетирање на сребрен контакт со сребро
LS-01T дво-пински само-ресед за притискање на мозочен удар микро прекинувач
Сребрен контакт со мозочен удар го ограничува прекинувачот за само-ресетирање
Сребрен контакт 250V Ограничен лимит на микро прекинувачКако репрезентативен производ на Кабелската централа Yueqing Tongda што ја отелотворува интеграцијата на стандардизацијата и прилагодувањето на јадрото, прекинувачот HK-04G-L е дизајниран со основните принципи на „стабилност, доверливост и компатибилност со сцената“. Вклучува 35-годишна експертиза за производство на прекинувачи на компанијата, постигнувајќи повеќекратни оптимизации во електричните перформанси, нивоата на заштита и корисничкото искуство. Прекинувачот е широко применлив за сценарија како што се дистрибуција на електрична енергија во домот, индустриска помошна опрема и мали медицински инструменти, што го прави претпочитана компонента за контрола на колото што ја балансира универзалноста со потенцијалот за прилагодување.
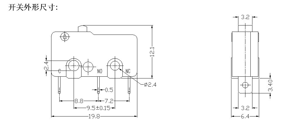
Микро прекинувачВовед
Прекинувачот HK-04G-L се фокусира на практичните барања за клучните параметри, исполнувајќи ги основните контролни стандарди за различни сценарија. Контактите се изработени од легура на сребро-калај и обработени со прецизно заварување, со почетна отпорност на контакт од ≤8mΩ. Може со сигурност да носи наизменична струја од 10A-16A (номинален напон 250V AC), погодна за потребите за напојување на повеќето апарати за домаќинство и мали индустриски уреди, ефикасно спречувајќи проблеми со прегревање на контактот или ерозија предизвикани од тековното преоптоварување.
Перформансите на активирањето и животниот век се подеднакво сигурни: користи структура за активирање од типот на рокер, со патување на притискање од 1,3-1,6 mm и работна сила контролирана во рамките на 1,5-3N. Повратните информации за активирањето се јасни и непречени, поради што секојдневната употреба е малку веројатно да се доживее „неодговорно притискање“. Механичкиот животен век достигнува 80.000 циклуси на притискање, а животниот век на електрична енергија надминува 50.000 циклуси. Во уредите за употреба со висока фреквенција како што се фрижидери, мали вентилатори и комерцијални печатачи, може да постигне стабилна работа 3-5 години.
Приспособливоста кон животната средина ги задоволува барањата на конвенционалните сценарија: Производот работи во температурен опсег од -30°C до 80°C, способен да се справи со ниски температури во северните зими и услови за дисипација на топлина во лето; Отпорот на изолацијата е ≥50MΩ (500VDC), а отпорноста на напонот на приклучокот достигнува 800V AC, исполнувајќи ги безбедносните електрични стандарди за домаќинство и комерцијална употреба. Дополнително, куќиштето е изработено од ABS материјал отпорен на пламен (усогласен со UL94 V-1), намалувајќи ги безбедносните ризици предизвикани од кратки споеви.
Микро прекинувачАпликација
Во сценаријата за паметен дом и домаќинство, HK-04G-L, со својата компактна големина (приближно 20×15×10mm, L×W×H), може лесно да се интегрира во паметни кутии за дистрибуција, ѕидни приклучоци и контролни панели за мали апарати. Моментално стана компонента што ја користат повеќе домашни брендови за паметни домови за функции како што се контрола на осветлувањето и прекинување на напојувањето на апаратот. Еден бренд објави дека стапката на неуспех на производите опремени со него е 40% помала од традиционалните прекинувачи.
Во мали индустриски и комерцијални сценарија, производот е погоден за контрола на моќноста на мала транспортна опрема, комерцијални машини за кафе, канцелариски печатачи и други уреди. Со оптимизирање на структурата за поврзување на терминалот, тој поддржува брза инсталација на жици, зголемувајќи ја ефикасноста на склопувањето на уредот. Претходно, приспособената верзија за производител на комерцијални апарати, преку прилагодување на растојанието на терминалите, ги исполнуваше барањата за компактните внатрешни жици на нивната опрема, подобрувајќи ја ефикасноста на инсталацијата за 25%.
Микро прекинувач Спецификација
| Технички карактеристики на прекинувачот: | |||
| СТАВКА | Технички параметар | Вредност | |
| 1 | Електрични рејтинг | 5(2)A 125V/250VAC 10(3)125V/250VAC | |
| 2 | Контакт отпор | ≤50mΩ Почетна вредност | |
| 3 | Отпор на изолација | ≥100MΩ (500VDC) | |
| 4 |
Диелектрик Напон |
Помеѓу неприклучени терминали |
500V/0,5mA/60S |
| Помеѓу терминалите и металната рамка |
1500V/0,5mA/60S | ||
| 5 | Електричен живот | ≥ 10000 циклуси | |
| 6 | Механички живот | ≥100000 циклуси | |
| 7 | Работна температура | -25 ~ 125 ℃ | |
| 8 | Работна фреквенција | Електрични: 15 циклуси Механички: 60 циклуси |
|
| 9 | Доказ за вибрации | Фреквенција на вибрации: 10~55HZ; Амплитуда: 1,5 мм; Три насоки: 1 ч |
|
| 10 | Способност за лемење: Повеќе од 80% од потопениот дел ќе биде покриен со лемење |
Температура на лемење: 235±5℃ Време на потопување: 2 ~ 3 С |
|
| 11 | Отпорност на топлина на лемење | Лемење натопено: 260±5℃ 5±1S Рачно лемење: 300±5℃ 2~3S |
|
| 12 | Одобренија за безбедност | UL, CSA, VDE, ENEC, CE | |
| 13 | Услови за тестирање | Температура на околината: 20±5℃ Релативна влажност: 65±5% RH Воздушен притисок: 86~106KPa |
|
Tongda Wire Electric Micro USB Вграден прекинувач за напојување Детали

