Како професионален траен микро прекинувач со притискање и јазичиња за лемење со 35-годишно искуство во производството на прекинувачи, фабриката за електрични жици Yueqing Tongda се фокусира на „приспособување засновано на побарувачката, технологија која обезбедува безбедност“ и, фокусирајќи се на главните производи како што се преклопници, прекинувачи со црвени копчиња, приспособени прекинувачи за копчиња, NO/NCw. решенија за различни области, вклучувајќи индустриски, паметни домови, медицински и поморски сектори. Со технолошките иновации и строгата контрола на квалитетот, тој стана репер во полето на приспособени прекинувачи.
Вовед во микро прекинувач

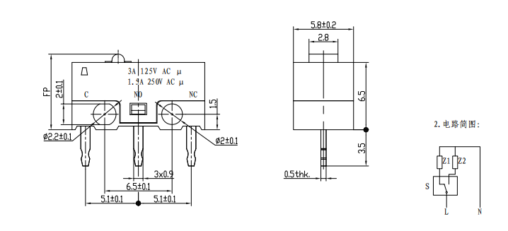
Параметар на микро прекинувач (спецификација)
| СТАВКА | Главни технички параметри |
| 1 | Оцена на електрична енергија: 3А 250 VAC |
| 2 | Електричен животен век : Мин.10000 циклуси |
| 3 | Отпорност на контакт:<50mΩ |
| 4 | Работна сила: 70±20 gf |
| 5 | Слободна положба: 7,3±0,2 mm |
| 6 | Работна положба: 7,0±0,2 mm |
| 7 | Температура на околината: T85° |
| 8 | Издржи напон: помеѓу терминалот и терминалот 500V/5S/5mA; |
| Помеѓу терминалите и куќиштето 1500/5S/5mA | |
| 9 | Отпор на изолација:>100MΩ Тест напон 500VDC |
| 10 | Индекс за следење на докази PTI :175V |
Детали за микро прекинувач
