Како репрезентативен производ на Yueqing Tongda Wire Electric Factory, кој ја отелотворува интеграцијата на стандардизацијата и прилагодувањето на јадрото, микро-прекинувачот отпорен на висока температура 5A за печатачи нормално отворени и нормално затворени е дизајниран со основните принципи на „стабилност, доверливост и компатибилност со сцената“. Вклучува 35-годишна експертиза за производство на прекинувачи на компанијата, постигнувајќи повеќекратни оптимизации во електричните перформанси, нивоата на заштита и корисничкото искуство. Прекинувачот е широко применлив за сценарија како што се дистрибуција на електрична енергија во домот, индустриска помошна опрема и мали медицински инструменти, што го прави претпочитана компонента за контрола на колото што ја балансира универзалноста со потенцијалот за прилагодување.
Микро прекинувачВовед
Микро прекинувачите (исто така познати како прекинувачи со брзо дејство) користат механизам со пружина за да постигнат моментално активирање - не е потребно бавно притискање. Тие можат брзо да ги отвораат или затвораат контактите, обезбедувајќи стабилни перформанси без одлагање. За купувачите, ова значи поголема издржливост (намалување на абењето на контактот) и прецизност, помагајќи да се избегнат безбедносните опасности предизвикани од заглавени прекинувачи.
Следниве се клучните производни чекори што купувачите треба да ги разберат за да го проценат квалитетот на производот:
1. Производство на компоненти: прецизно обработени метални контакти и пружини; издржливо куќиште (пластика/метални материјали).
2. Склопување: прецизно склопување на пружини, контакти и актуатори за да се избегне влијание врз перформансите.
3. Тестирање: Строго тестирање (илјадници тестови за печат, тестови за електричен континуитет) за да се обезбеди сигурност.
4. Пакување: Заштитна амбалажа за лесен транспорт, со јасно означување на спецификациите.
Микро прекинувачАпликација
Микро прекинувачите се широко користени и сигурни во перформансите, главно се применуваат во:
- Апарати за домаќинство: светла за фрижидер, брави за врати од микробранова печка, прекинувачи за капакот на машината за перење и тајмери за тостер.
- Индустриска опрема: тешки модели погодни за подвижни ленти, машини и контролни панели (отпорни од прав и влага).
- Автомобилско поле: бришачи на шофершајбната, индикатори за подотворена врата — способни да издржат вибрации и екстремни температури.
- Електронски уреди: минијатурни прекинувачи за далечински управувачи и контролери за игри (одговорни и долготрајни).
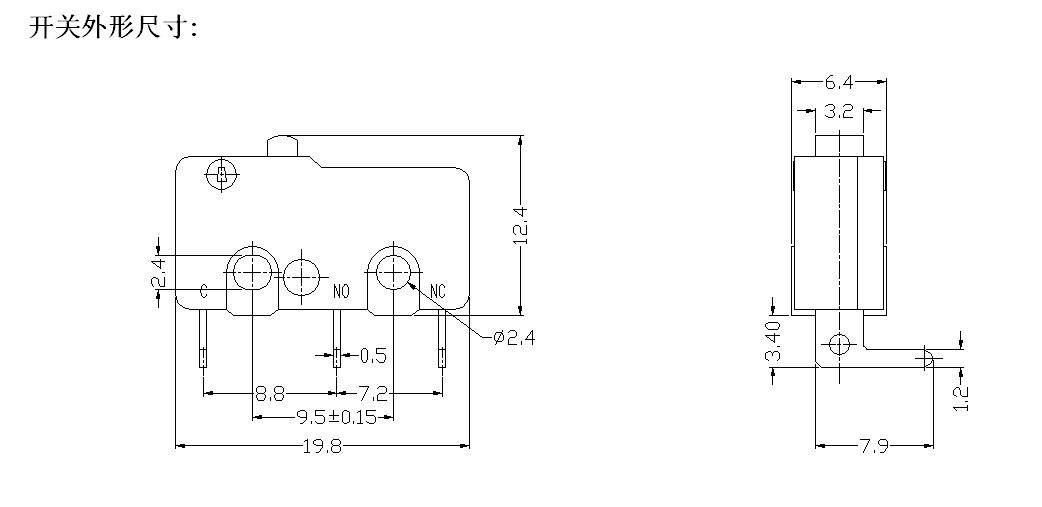
Микро прекинувач Спецификација
| Технички карактеристики на прекинувачот: | |||
| СТАВКА | Технички параметар | Вредност | |
| 1 | Електрични рејтинг | 5(2)A 125V/250VAC 10(3)125V/250VAC | |
| 2 | Контакт отпор | ≤50mΩ Почетна вредност | |
| 3 | Отпор на изолација | ≥100MΩ (500VDC) | |
| 4 |
Диелектрик Напон |
Помеѓу неприклучени терминали |
500V/0,5mA/60S |
| Помеѓу терминалите и металната рамка |
1500V/0,5mA/60S | ||
| 5 | Електричен живот | ≥ 10000 циклуси | |
| 6 | Механички живот | ≥100000 циклуси | |
| 7 | Работна температура | -25 ~ 125 ℃ | |
| 8 | Работна фреквенција | Електрични: 15 циклуси Механички: 60 циклуси |
|
| 9 | Доказ за вибрации | Фреквенција на вибрации: 10~55HZ; Амплитуда: 1,5 мм; Три насоки: 1 ч |
|
| 10 | Способност за лемење: Повеќе од 80% од потопениот дел ќе биде покриен со лемење |
Температура на лемење: 235±5℃ Време на потопување: 2 ~ 3 С |
|
| 11 | Отпорност на топлина на лемење | Лемење натопено: 260±5℃ 5±1S Рачно лемење: 300±5℃ 2~3S |
|
| 12 | Одобренија за безбедност | UL, CSA, VDE, ENEC, CE | |
| 13 | Услови за тестирање | Температура на околината: 20±5℃ Релативна влажност: 65±5% RH Воздушен притисок: 86~106KPa |
|
Tongda Wire Electric Micro USB Вграден прекинувач за напојување Детали

